1995 Lincoln Town Car Blend Door Actuator Replacement

1995 Lincoln Towncar Blend Door Actuator Replacement Instructions Diagram Youtube

1995 Lincoln Towncar Blend Door Actuator Replacement Instructions Diagram Youtube

Alternative Cheap 1995 1997 Lincoln Town Car Blend Door Actuator Replacement Youtube

Alternative Cheap 1995 1997 Lincoln Town Car Blend Door Actuator Replacement Youtube

1997 Lincoln Town Car Blend Door Actuator Replacement Read Description Youtube

1997 Lincoln Town Car Blend Door Actuator Replacement Read Description Youtube

1996 Lincoln Town Car Blend Door Actuator Replacement Youtube

1996 Lincoln Town Car Blend Door Actuator Replacement Youtube

Blend Door And Actuator Location My Ac Blender Door Got Stuck

Blend Door And Actuator Location My Ac Blender Door Got Stuck

We Have A 1995 Lincoln Towncar None Of The Power Windows Work There Is Power At And Thru The Fuse Breaker Is There

We Have A 1995 Lincoln Towncar None Of The Power Windows Work There Is Power At And Thru The Fuse Breaker Is There

We Have A 1995 Lincoln Towncar None Of The Power Windows Work There Is Power At And Thru The Fuse Breaker Is There

First the electric motor can burn out rendering the unit non responsive so nothing changes when the temperature or.

1995 lincoln town car blend door actuator replacement.

How to replace the blend door actuator. The average cost for a lincoln town car hvac blend door actuator replacement is between 440 and 546. Now lay on you back with you head in the drivers floor board. Labor costs are estimated between 405 and 511 while parts are priced at 36.

Stuck toward heat or stuck toward ac. Look up see 2 screws remove them and the panel they hold on. Air temperature control blend door failure no heat or no ac dependes on where door sticks in all modern cars there is a tiny dc electric motor driven gear drive that moves a plastic door that blends heated and cooled air from the ac and the heater core this is called interestedly enough the air temperature control blend door actuator. The steering column is not usually separated but unbolted and lowered with the steering wheel to rest on the driver s seat.

Heat and ac control wont work. Look to left main wire harness needs to be moved to the right up and behind it is th blend actuator 7 32 socket to remove it then manually turn the white peg total labor 30 min. 1999 thru 2002 blend door actuator replacement attached is the procedure to replace the blend door actuator on a 2001 model town car. The procedure is the same for the 1999 thru 2002 models.

Clicking noise in dash. Estimate does not include taxes and fees. Blend door ok first put you front seat down and back raise steering wheel. Maybe you need to replace the blend door actuator.

A blend door actuator is made up of an electric motor that turns a plastic gear set in one direction or another which is connected to an air control door pivot at the final drive of the unit.

1995 1997 Lincoln Town Car Air Control Box And Blend Door Youtube

1995 1997 Lincoln Town Car Air Control Box And Blend Door Youtube

Blend Door Actuator Heat And Air Work But The Air Flow Will Not

Blend Door Actuator Heat And Air Work But The Air Flow Will Not

Fix Heat Door Actuator Youtube

Fix Heat Door Actuator Youtube

Lincoln Town Car Parts Accessories Catalog Interior Body Parts

Lincoln Town Car Parts Accessories Catalog Interior Body Parts

How Do I Replace Heater Core In 1995 Towncar

How Do I Replace Heater Core In 1995 Towncar

On A 1995 Lincoln Town Car The Turn Signals Wont Work Nothing Lights Up At All I Was Thinking It Could Be The But I

On A 1995 Lincoln Town Car The Turn Signals Wont Work Nothing Lights Up At All I Was Thinking It Could Be The But I

1995 Lincoln Town Car No Heat 1995 Lincoln Town Car Cartier No

1995 Lincoln Town Car No Heat 1995 Lincoln Town Car Cartier No

Ford Crown Victoria Dashboard Pictures

Ford Crown Victoria Dashboard Pictures

Town Car Hvac Blend Door Actuator Replacement Lincoln Forums

Town Car Hvac Blend Door Actuator Replacement Lincoln Forums

Diagram 2003 Lincoln Town Car Engine Diagram Full Version Hd Quality Engine Diagram Bitcoindiagrams Antonellabevilacqua It

Diagram 2003 Lincoln Town Car Engine Diagram Full Version Hd Quality Engine Diagram Bitcoindiagrams Antonellabevilacqua It

1998 Lincoln Town Car Heater Core Youtube

1998 Lincoln Town Car Heater Core Youtube

Steering Column For 1995 Lincoln Town Car Blue Springs Ford Parts

Steering Column For 1995 Lincoln Town Car Blue Springs Ford Parts

Heater Not Working Heater Problem Two Wheel Drive Automatic

Heater Not Working Heater Problem Two Wheel Drive Automatic

1995 Lincoln Town Car Ac Compressor Parts Repair And Replacement Part 2 Youtube

1995 Lincoln Town Car Ac Compressor Parts Repair And Replacement Part 2 Youtube

I Have A 95 Town Car And I Have No Voltage At The Compressor Can You Tell Me Where To Look Or Provide A Wiring Diagram

I Have A 95 Town Car And I Have No Voltage At The Compressor Can You Tell Me Where To Look Or Provide A Wiring Diagram

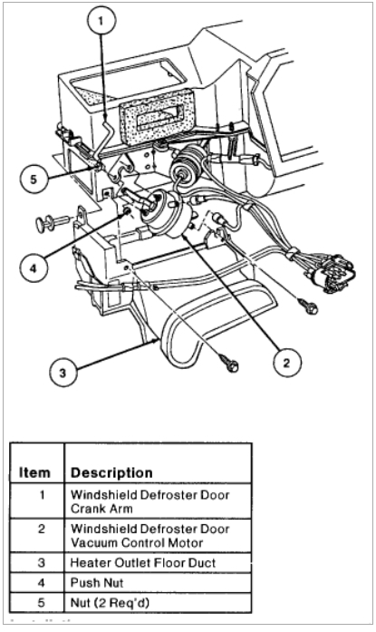
Solved Need To Replace Ac Blend Door Motor Inside Dashby Fixya

Solved Need To Replace Ac Blend Door Motor Inside Dashby Fixya

Converting A Lincoln Town Car From Air Suspension To Arnott Coil Springs C 2615 Youtube

Converting A Lincoln Town Car From Air Suspension To Arnott Coil Springs C 2615 Youtube

1995 1997 Lincoln Town Car Radio For Sale Youtube

1995 1997 Lincoln Town Car Radio For Sale Youtube

Https Encrypted Tbn0 Gstatic Com Images Q Tbn 3aand9gcrccfhwpgnuto6iueixziz0zryqxg6x3yiz9zkikcze7437lsjx Usqp Cau

Https Encrypted Tbn0 Gstatic Com Images Q Tbn 3aand9gcrccfhwpgnuto6iueixziz0zryqxg6x3yiz9zkikcze7437lsjx Usqp Cau

How To Replace A Blend Door Actuator In Under 15 Minutes

How To Replace A Blend Door Actuator In Under 15 Minutes

Temperature Blend Door Where Is The Temperature Blend Door

Temperature Blend Door Where Is The Temperature Blend Door

1990 1997 Lincoln Town Car Photo Consumer Guide Automotive 1997 Lincoln Town Car Lincoln Town Car Lincoln Cars

1990 1997 Lincoln Town Car Photo Consumer Guide Automotive 1997 Lincoln Town Car Lincoln Town Car Lincoln Cars

Filling Air Springs On Lincoln Town Car 2001 The Garage Journal Board

Filling Air Springs On Lincoln Town Car 2001 The Garage Journal Board

How To Replace Heater Blower Motor With Fan Cage 98 02 Lincoln Town Car 1a Auto

How To Replace Heater Blower Motor With Fan Cage 98 02 Lincoln Town Car 1a Auto

Source : pinterest.com