1998 Lincoln Town Car Blend Door Actuator Replacement

1997 Lincoln Town Car Blend Door Actuator Replacement Read Description Youtube

1997 Lincoln Town Car Blend Door Actuator Replacement Read Description Youtube

Alternative Cheap 1995 1997 Lincoln Town Car Blend Door Actuator Replacement Youtube

Alternative Cheap 1995 1997 Lincoln Town Car Blend Door Actuator Replacement Youtube

16 1998 Lincoln Town Car Alternator Wiring Diagram Car Diagram Wiringg Net In 2020 Car Alternator Lincoln Town Car Alternator

16 1998 Lincoln Town Car Alternator Wiring Diagram Car Diagram Wiringg Net In 2020 Car Alternator Lincoln Town Car Alternator

1997 Lincoln Town Car Blend Door Actuator Replacement Youtube 1997 Lincoln Town Car Lincoln Town Car Car Repair Diy

1997 Lincoln Town Car Blend Door Actuator Replacement Youtube 1997 Lincoln Town Car Lincoln Town Car Car Repair Diy

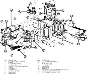
I Absolutely Cannot Locate The Blend Door Actuator In My 1998 Lincoln Town Car I D Like To See A Diagram Or Image I M

I Absolutely Cannot Locate The Blend Door Actuator In My 1998 Lincoln Town Car I D Like To See A Diagram Or Image I M

How To Replace Door Lock Actuator 98 03 Lincoln Town Car Youtube

How To Replace Door Lock Actuator 98 03 Lincoln Town Car Youtube

How To Replace Door Lock Actuator 98 03 Lincoln Town Car Youtube

Four seasons.

1998 lincoln town car blend door actuator replacement.

An actuator can go bad in of two ways. Heater blend door actuator connector. Stuck toward heat or stuck toward ac. Heat and ac control wont work.

Take the whole frikkin dash off. Lincoln 1998 town car 4 6l v8 heat air conditioning heater blend door actuator. While waiting my crown vic to arrive i had time to do this story. I have also 1998 town car.

This works on mine not sure it ll work on all but it gets me heat in the winter and air in the summer thanks for watching. 1995 lincoln towncar blend door actuator replacement instructions diagram here is a link to the diagram you can download it and print https docs google. Heater blend door next to heater core breaks down and will stuck in one position. No parts for vehicles in selected markets.

There is only one way to do it neat. Save 1200 dollars from a dealership replacement. How to replace the blend door actuator. Estimate does not include taxes and fees.

1998 lincoln mark viii heater blend door actuator finally solved. A blend door actuator is made up of an electric motor that turns a plastic gear set in one direction or another which is connected to an air control door pivot at the final drive of the unit. Labor costs are estimated between 405 and 511 while parts are priced at 36. First the electric motor can burn out rendering the unit non responsive so nothing changes when the temperature or.

Fuse Box Location And Diagrams Lincoln Town Car 1998 2002 Youtube

Fuse Box Location And Diagrams Lincoln Town Car 1998 2002 Youtube

1995 Lincoln Towncar Blend Door Actuator Replacement Instructions Diagram Youtube

1995 Lincoln Towncar Blend Door Actuator Replacement Instructions Diagram Youtube

98 Lincoln Town Car Wiring Diagram And Lincoln Town Car Engine Diagram Types Of Electrical In 2020 Lincoln Town Car Car Alternator Car Engine

98 Lincoln Town Car Wiring Diagram And Lincoln Town Car Engine Diagram Types Of Electrical In 2020 Lincoln Town Car Car Alternator Car Engine

Town Car Hvac Blend Door Actuator Replacement Lincoln Forums

Town Car Hvac Blend Door Actuator Replacement Lincoln Forums

1998 Lincoln Town Car Heater Core Youtube

1998 Lincoln Town Car Heater Core Youtube

1996 Lincoln Town Car Blend Door Actuator Replacement Youtube

1996 Lincoln Town Car Blend Door Actuator Replacement Youtube

Wet Passenger Floor Lincoln Town Car Youtube

Wet Passenger Floor Lincoln Town Car Youtube

Ford Crown Victoria Interceptor Heater Blend Door Broken On My 1998 Lincoln Town Car

Ford Crown Victoria Interceptor Heater Blend Door Broken On My 1998 Lincoln Town Car

Myths And Legends Lincoln Town Car The Truth About Cars

Myths And Legends Lincoln Town Car The Truth About Cars

Lincoln Town Car Questions Where Is My Mass Air Flow Sensor Located Cargurus

Lincoln Town Car Questions Where Is My Mass Air Flow Sensor Located Cargurus

Need Instructions For Removal And Replacement Of Heater Core On 92 Lincoln Town Car

Need Instructions For Removal And Replacement Of Heater Core On 92 Lincoln Town Car

How To Replace Radiator Cooling Fan Assembly 00 02 Lincoln Town Car Youtube

How To Replace Radiator Cooling Fan Assembly 00 02 Lincoln Town Car Youtube

Lincoln Town Car 2001 Hvac Blower Motor Regulator Replacement Youtube

Lincoln Town Car 2001 Hvac Blower Motor Regulator Replacement Youtube

Sparky S Answers 2007 Lincoln Town Car A C Does Not Blow Out Vents

Sparky S Answers 2007 Lincoln Town Car A C Does Not Blow Out Vents

How Do You Remove Replace A Heater Core In A 1987 Lincoln Town Car Optional Information 1987 Lincoln Towncar 5 0

How Do You Remove Replace A Heater Core In A 1987 Lincoln Town Car Optional Information 1987 Lincoln Towncar 5 0

Converting A Lincoln Town Car From Air Suspension To Arnott Coil Springs C 2615 Youtube

Converting A Lincoln Town Car From Air Suspension To Arnott Coil Springs C 2615 Youtube

Heater Not Working Heater Problem Two Wheel Drive Automatic

Heater Not Working Heater Problem Two Wheel Drive Automatic

Panel Doorse Lincoln Town Car Door Panel

Panel Doorse Lincoln Town Car Door Panel

Https Encrypted Tbn0 Gstatic Com Images Q Tbn 3aand9gcq H9jmdjyzx6zyiqdvaxvgbmjmimucevih6z4hppo4e29 Qteb Usqp Cau

Https Encrypted Tbn0 Gstatic Com Images Q Tbn 3aand9gcq H9jmdjyzx6zyiqdvaxvgbmjmimucevih6z4hppo4e29 Qteb Usqp Cau

Oe Solutions Air Door Actuator Temperature 1998 2002 Lincoln Town Car 604 221 The Home Depot

Oe Solutions Air Door Actuator Temperature 1998 2002 Lincoln Town Car 604 221 The Home Depot

How To Fix A Lincoln Town Car Door Handle Youtube

How To Fix A Lincoln Town Car Door Handle Youtube

How To Replace Lincoln Towncar Power Window Switch Drivers Side Youtube

How To Replace Lincoln Towncar Power Window Switch Drivers Side Youtube

1996 Lincoln Town Car 1996 Lincoln Town Car How Do You Take A

1996 Lincoln Town Car 1996 Lincoln Town Car How Do You Take A

Blend Door And Actuator Location My Ac Blender Door Got Stuck

Blend Door And Actuator Location My Ac Blender Door Got Stuck

Source : pinterest.com